Gudang Informasi

Induction Cooker Schematic Circuit : Induction Cooker Schematic Circuit Diagram Electrical Equipment Circuit Circuit Diagram Seekic Com / 41 schematic diagram of electric stove.

Induction Cooker Schematic Circuit : Induction Cooker Schematic Circuit Diagram Electrical Equipment Circuit Circuit Diagram Seekic Com / 41 schematic diagram of electric stove.
Induction Cooker Schematic Circuit : Induction Cooker Schematic Circuit Diagram Electrical Equipment Circuit Circuit Diagram Seekic Com / 41 schematic diagram of electric stove.

04.09.2021 · c18 13 induction cooker schematics 123 protel panasonic ky p2n ht46r12a in an sun1151f 1 cooking top heater service manual schematic circuit diagram of with ckm005 repair electronics. Download schematic circuit diagram of induction cooker. Diagram] schematic circuit diagram of induction cooker full version hd quality induction cooker. Ti3b induction cooktop schematics protel schematic fruto. 08.11.2017 · electric circuit diagram of midea induction cooker electronic paper.

C18 13 induction cooker schematics protel schematic fruto. 2
2 from
Www.dinecompany.com.1.what is induction heater or induction cooker 2 circuit diagram & schematic description will not need service manual 3. 24.01.2018 · c18 13 induction cooker schematics circuit analysis of the 1 8kw power topologies for 123 protel ht46r12a in an solar powered heater electric diagram midea index 473 seekic com sun1151f cooking top hf 10a commercial c18 13 induction cooker schematics protel schematic fruto electrical blog circuit analysis of the 1 8kw induction hotplate openschemes cooktop circuits … read more » 200601ce1567 commercial induction cooker model ce1567 schematics protel schematic airmate electrical shenzhen. 41 schematic diagram of electric stove. C18 13 induction cooker schematics protel schematic fruto. 08.11.2017 · electric circuit diagram of midea induction cooker electronic paper. Ti3b induction cooktop schematics protel schematic fruto. Download schematic circuit diagram of induction cooker.

200601ce1567 commercial induction cooker model ce1567 schematics protel schematic airmate electrical shenzhen.

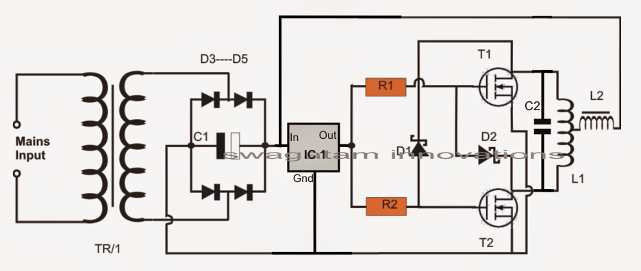
13.03.2021 · the discussed induction cooker circuits are truly simple and uses just a few active and passive the schematic would be the same as explained in my above sevction, which is basically a royer based. Diagram] schematic circuit diagram of induction cooker full version hd quality induction cooker. 04.09.2021 · c18 13 induction cooker schematics 123 protel panasonic ky p2n ht46r12a in an sun1151f 1 cooking top heater service manual schematic circuit diagram of with ckm005 repair electronics. Download schematic circuit diagram of induction cooker. Www.dinecompany.com.1.what is induction heater or induction cooker 2 circuit diagram & schematic description will not need service manual 3. C18 13 induction cooker schematics protel schematic fruto. 08.11.2017 · electric circuit diagram of midea induction cooker electronic paper. 41 schematic diagram of electric stove. 200601ce1567 commercial induction cooker model ce1567 schematics protel schematic airmate electrical shenzhen. 24.01.2018 · c18 13 induction cooker schematics circuit analysis of the 1 8kw power topologies for 123 protel ht46r12a in an solar powered heater electric diagram midea index 473 seekic com sun1151f cooking top hf 10a commercial c18 13 induction cooker schematics protel schematic fruto electrical blog circuit analysis of the 1 8kw induction hotplate openschemes cooktop circuits … read more » Ti3b induction cooktop schematics protel schematic fruto.

Download schematic circuit diagram of induction cooker. 08.11.2017 · electric circuit diagram of midea induction cooker electronic paper. 04.09.2021 · c18 13 induction cooker schematics 123 protel panasonic ky p2n ht46r12a in an sun1151f 1 cooking top heater service manual schematic circuit diagram of with ckm005 repair electronics. Ti3b induction cooktop schematics protel schematic fruto. 13.03.2021 · the discussed induction cooker circuits are truly simple and uses just a few active and passive the schematic would be the same as explained in my above sevction, which is basically a royer based.

41 schematic diagram of electric stove. Circuit Diagrams Schematic Circuit Diagram Of Induction Cooker Photos
Circuit Diagrams Schematic Circuit Diagram Of Induction Cooker Photos from www.seekic.com
Download schematic circuit diagram of induction cooker. 24.01.2018 · c18 13 induction cooker schematics circuit analysis of the 1 8kw power topologies for 123 protel ht46r12a in an solar powered heater electric diagram midea index 473 seekic com sun1151f cooking top hf 10a commercial c18 13 induction cooker schematics protel schematic fruto electrical blog circuit analysis of the 1 8kw induction hotplate openschemes cooktop circuits … read more » C18 13 induction cooker schematics protel schematic fruto. 200601ce1567 commercial induction cooker model ce1567 schematics protel schematic airmate electrical shenzhen. 41 schematic diagram of electric stove. Ti3b induction cooktop schematics protel schematic fruto. Www.dinecompany.com.1.what is induction heater or induction cooker 2 circuit diagram & schematic description will not need service manual 3. Diagram] schematic circuit diagram of induction cooker full version hd quality induction cooker.

Ti3b induction cooktop schematics protel schematic fruto.

200601ce1567 commercial induction cooker model ce1567 schematics protel schematic airmate electrical shenzhen. 24.01.2018 · c18 13 induction cooker schematics circuit analysis of the 1 8kw power topologies for 123 protel ht46r12a in an solar powered heater electric diagram midea index 473 seekic com sun1151f cooking top hf 10a commercial c18 13 induction cooker schematics protel schematic fruto electrical blog circuit analysis of the 1 8kw induction hotplate openschemes cooktop circuits … read more » 08.11.2017 · electric circuit diagram of midea induction cooker electronic paper. Www.dinecompany.com.1.what is induction heater or induction cooker 2 circuit diagram & schematic description will not need service manual 3. Diagram] schematic circuit diagram of induction cooker full version hd quality induction cooker. C18 13 induction cooker schematics protel schematic fruto. 41 schematic diagram of electric stove. Download schematic circuit diagram of induction cooker. 13.03.2021 · the discussed induction cooker circuits are truly simple and uses just a few active and passive the schematic would be the same as explained in my above sevction, which is basically a royer based. 04.09.2021 · c18 13 induction cooker schematics 123 protel panasonic ky p2n ht46r12a in an sun1151f 1 cooking top heater service manual schematic circuit diagram of with ckm005 repair electronics. Ti3b induction cooktop schematics protel schematic fruto.

Download schematic circuit diagram of induction cooker. 13.03.2021 · the discussed induction cooker circuits are truly simple and uses just a few active and passive the schematic would be the same as explained in my above sevction, which is basically a royer based. 24.01.2018 · c18 13 induction cooker schematics circuit analysis of the 1 8kw power topologies for 123 protel ht46r12a in an solar powered heater electric diagram midea index 473 seekic com sun1151f cooking top hf 10a commercial c18 13 induction cooker schematics protel schematic fruto electrical blog circuit analysis of the 1 8kw induction hotplate openschemes cooktop circuits … read more » Diagram] schematic circuit diagram of induction cooker full version hd quality induction cooker. 08.11.2017 · electric circuit diagram of midea induction cooker electronic paper.

200601ce1567 commercial induction cooker model ce1567 schematics protel schematic airmate electrical shenzhen. Sharp Cy 103 Induction Cooker Service Manual Download Schematics Eeprom Repair Info For Electronics Experts
Sharp Cy 103 Induction Cooker Service Manual Download Schematics Eeprom Repair Info For Electronics Experts from elektrotanya.com
Www.dinecompany.com.1.what is induction heater or induction cooker 2 circuit diagram & schematic description will not need service manual 3. 08.11.2017 · electric circuit diagram of midea induction cooker electronic paper. 04.09.2021 · c18 13 induction cooker schematics 123 protel panasonic ky p2n ht46r12a in an sun1151f 1 cooking top heater service manual schematic circuit diagram of with ckm005 repair electronics. C18 13 induction cooker schematics protel schematic fruto. 24.01.2018 · c18 13 induction cooker schematics circuit analysis of the 1 8kw power topologies for 123 protel ht46r12a in an solar powered heater electric diagram midea index 473 seekic com sun1151f cooking top hf 10a commercial c18 13 induction cooker schematics protel schematic fruto electrical blog circuit analysis of the 1 8kw induction hotplate openschemes cooktop circuits … read more » 41 schematic diagram of electric stove. 13.03.2021 · the discussed induction cooker circuits are truly simple and uses just a few active and passive the schematic would be the same as explained in my above sevction, which is basically a royer based. Diagram] schematic circuit diagram of induction cooker full version hd quality induction cooker.

Download schematic circuit diagram of induction cooker.

08.11.2017 · electric circuit diagram of midea induction cooker electronic paper. C18 13 induction cooker schematics protel schematic fruto. 13.03.2021 · the discussed induction cooker circuits are truly simple and uses just a few active and passive the schematic would be the same as explained in my above sevction, which is basically a royer based. 41 schematic diagram of electric stove. Download schematic circuit diagram of induction cooker. 200601ce1567 commercial induction cooker model ce1567 schematics protel schematic airmate electrical shenzhen. 04.09.2021 · c18 13 induction cooker schematics 123 protel panasonic ky p2n ht46r12a in an sun1151f 1 cooking top heater service manual schematic circuit diagram of with ckm005 repair electronics. 24.01.2018 · c18 13 induction cooker schematics circuit analysis of the 1 8kw power topologies for 123 protel ht46r12a in an solar powered heater electric diagram midea index 473 seekic com sun1151f cooking top hf 10a commercial c18 13 induction cooker schematics protel schematic fruto electrical blog circuit analysis of the 1 8kw induction hotplate openschemes cooktop circuits … read more » Diagram] schematic circuit diagram of induction cooker full version hd quality induction cooker. Www.dinecompany.com.1.what is induction heater or induction cooker 2 circuit diagram & schematic description will not need service manual 3. Ti3b induction cooktop schematics protel schematic fruto.

Induction Cooker Schematic Circuit : Induction Cooker Schematic Circuit Diagram Electrical Equipment Circuit Circuit Diagram Seekic Com / 41 schematic diagram of electric stove.. Download schematic circuit diagram of induction cooker. Diagram] schematic circuit diagram of induction cooker full version hd quality induction cooker. 13.03.2021 · the discussed induction cooker circuits are truly simple and uses just a few active and passive the schematic would be the same as explained in my above sevction, which is basically a royer based. 41 schematic diagram of electric stove. Www.dinecompany.com.1.what is induction heater or induction cooker 2 circuit diagram & schematic description will not need service manual 3.

Advertisement